—、主要特点
该电能表采用先进的单片机处理系统设计而成,具有电路简单、可靠性高、精度高等优点。该产品软件、硬件、结构设计技术先进,计量精度高,结合单片机资源,实现有功电能分时计量,电流、电压、功率、功率因素测量,具有RS-485通信功能,抗干扰、防攻击性能好,工作温度范围宽,能长期稳定可靠工作。该产品各项误差性能指标符合国家GB/T 17215.321 -2008《1级和2级静止式交流有功电能表》、DL/T645-2007《多功能电能表通信规约》等标准的技术要求(可定制MODBUS通讯协议)。
该电能表计量单相两线有功电能,适用于执行多费率电价的二次回路用户或者空间狭小的单相用电设备内部,可以通过RS-485通讯组网抄表具有可 靠性好、体积小、重量轻、外形美观、安装灵活方便等特点。
二、主要功能
■液晶LCD数字显示,6位整数+2位小数(999999.99kWh)
■停电显示电量,电池供电(具备电池省电模式)
■有功电能进行双向计量,反向电量计入总电量
■反接计量
■实时电流、电压、有功功率、功率因素、频率测量显示
■可进行4种费率(尖、峰、平、谷)14个时段设置
■自动月结算功能,可保存上12个月历史电量数据,通过RS-485通讯读取
■可通过RS-485通信接口完成编程和抄表操作,RS-485在电表额定电压80%-115%均可正常工作
■支持远红外通讯
■RS-485总线终端:256个,通讯波特率:1200bps ~ 4800bps(默认4800bps)
■无源脉冲输出,符合DIN43864标准
■断电后,所有存储数据不丢失,并能保持15年以上
■时钟日计时误差::≤0.5s/d(20℃±2℃)
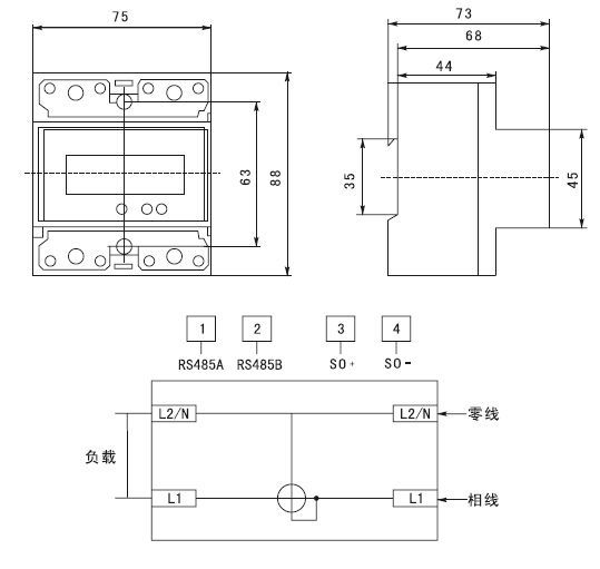
■电表宽度仅为75mm、35mm标准导轨安装,外型类似4P断路器
三、技术参数

四、尺寸及接线图
