一、主要特点
计量单相两线交流有功电能,适用于执行单费率电价的二次回路用户或者空间狭小的单相用电设备内部,具有可靠性好、体积小、重置轻、外形美观、安装灵活方便等特点。
二、主要功能
■液晶LCD数字显示,标配6位整数+1位小数(999999.9kWh ) ,5位整数+2位小数(可选)
■有功电能进行双向计量,反向电量计入总电量
■反接计里
■电源状态指示灯
■无源脉冲输出,符合DIN43864标准,脉冲指示灯指示工作状态
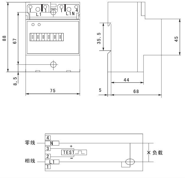
■电表宽度仅为75mm, 35mm标准导轨安装,外型类似4P断路器
■采用穿芯式接线,端子螺丝顶破电线绝缘层通电
三、技术参数
四、尺寸及接线图
